Measure Power Consumption and Upload Data to Wesite

Abstruse

With the significant increase in energy demands in the last decade, the issues of unnecessary free energy usage accept increased rapidly. Therefore, there is an immediate demand to provide a cheap and easily accessible monitoring tool for the energy consumed by an appliance used in homes and industries. Instead of monitoring the full power consumption of the houses and/or industries, information technology is useful to monitor the power consumption of the individual appliance, which in plow, helps in saving the overall free energy usage and thereby makes it price-effective. This paper presents a cost-efficient design and implementation of a monitoring system that can precisely measure out the current and voltage of each appliance. The design provides tracking of device action in a real-time environment for the industries and helps in adopting to the dark-green initiative. The design comprises of Arduino based micro-controller and Raspberry Pi, that performs precise measurements of electric current and voltage of the device, followed by measuring the power consumed by the device. This paper presents 2 different arrangement designs, ane for the single-phase measurements and the other for the DC measurements. The unmarried-phase measurement device comprises of x-bit ADC whereas, the 24 V DC measurement device comprises of a 12-fleck ADC, which provides higher measurement accuracy compared to other systems available in the market. The implemented blueprint uses the EmonCMS web application to accumulate and envision the monitored data. It provides a flexible and convenient solution to monitor the measured information easily on any android or iOS devices.

Introduction

In the past decade, there have been increase in free energy demands due to the continuous development of new technologies, that contributed in making the man life easier. Electrical appliances and machines are an essential function of the day-to-mean solar day life of humans, and this leads to increment in the electricity usage [i]. Due to this, we take seen the rise of smart filigree initiatives and smart metering that can monitor the power consumption and increase whatsoever electric grid's efficiency with the smart meter, which would reduce the environmental price [2]. The development of these devices is linked with managing the ability consumption, which would but be possible after getting the full consumption report from commercial, industrial, and domestic usage. Currently, several households too as industries use energy loggers that are capable of visualize, monitor and/or manage total power consumption.

It is very of import that this information is accessible and bachelor to users, always. Hither is where the concept of Internet-of-Things (IoT) appears. It implies "A worldwide network of interconnected objects uniquely addressable, based on standard communication protocols" [three]. The service of IoT is extensively spread to industrial and dwelling house applications in everyday tasks. Our aim is to use this service for the purpose of energy monitoring for producing price effective solutions whilst maintaining a certain level of lifestyle. Whatever industry or business firm nether observation that uses the IoT network tin can exist segregated into three major categories as shown in Fig. one.

Fig. i
figure 1

Constituents of a simple IoT network [4]

Full size image

Commonly, most of the free energy loggers available in the commercial market place, helps the user to monitor and manage the overall power consumption of the household. Alternatively, if the user has the freedom to connect it to the private appliances, it allows the user to visualize and manage the data from these individual appliances on a single cloud platform. This will enable the user to have a improve understanding of the appliances efficiency and power consumed by it, however, this is expensive. Therefore, this newspaper proposes 2 cost-efficient monitoring arrangement designs, one for single-stage measurements and the other for 24 5 DC measurements. Additionally, the data measured using these systems is accumulated using EmonCMS spider web application, that can be easily accessed using any android or iOS devices for data analysis and monitoring.

Literature Review

The past decade years have observed rapid advancement in the technologies that lead to significant improvement in the lifestyle of humans. Thus, the increasing demands for more than avant-garde technologies have led to increase in household energy consumption, ultimately resulting in the energy crisis. Therefore, optimization of the free energy consumption has attracted several researchers to develop monitoring organisation that tin keep track of the energy usage at home which can provide a good estimate of the appliances that consumes higher free energy.

There have been several efforts made to design energy-efficient appliances [5,6,7,8]. Withal, a farther reduction in energy usage can exist obtained if the existent-time free energy monitoring of these energy-efficient appliances is carried out, that provides the consumer with details of the energy used by the appliances. A like study is presented in [9], where the energy consumption of the home appliances is monitored using Energy Measurement and Communication Unit (EMCU). Information technology proposes to install the EMCU in each outlet, where the measured values at this outlet are transferred periodically to the domicile server with the aid of ZigBee. The particular ZigBee technology is used in [9] to ensure that the depression ability is consumed by this engineering. The data collected at the home server is then used to generate that power profile of all the appliances in the firm. The studies presented in [10] suggested that home energy management systems with the capability to record the data using specialized hardware and software tin play a significant role in lowering the energy usage and reduce the greenhouse gases. Additionally, implementing smart grids every bit suggested in [10, 11] could also be a role of smart energy organization. A specialized arroyo of automatically analyzing the data from smart meters in guild to determine the consumer characteristics is presented in [12], where the user carries out energy efficiency campaigns for the household appliances. Different technologies and features that can be incorporated with the smart energy meters has been discussed in detail in [13].

Furthermore, study on importance of security features in smart free energy meters is likewise presented in [13]. A detailed analysis of various infrastructure and communication protocols for smart free energy along with a broad range of energy management models including the hardware and software is discussed in [14]. Furthermore, reference [fourteen] also emphasizes the significance of monitoring, controlling, and supervising of the household appliances along with the advisable communication protocols that ensures the reliability of the data collection with the help of advanced algorithms and sampling tools. Another similar concept of measuring individual loads but in a three-phase measuring organization is presented in [15], where the device logs the data onto the SD carte. The PIC is interfaced with isolated current and voltage sensors for measurement. The calibration is manipulated to maintain the linearity, to measure out the three phases individually and calculate the mistake percent for the instantaneous measurements. The device in [16] uses the similar monitoring system with the Internet of Things concept for monitoring the energy consumption of a building. It uses PZEM-004t sensor with Arduino Nano microcontroller and ESP8266 (series-to-Wi-Fi module) to transport the data to the cloud. The device is developed for three-phase four-line electric line (for a laboratory edifice). The measurements were taken for a week, however, no comparison betwixt the actual values and the measured values was fabricated by their equipment. This module measures the AC voltages between 80 and 260 Vrms with current upward to 100 A. The cloud server Thingspeak is used to store the data online and the data is sent to information technology every minute the device is switched ON.

A study in [17] presents the power meter designed with the Arduino to measure out the ability consumed by individual appliances, to understand the usage of each appliance via cloud and farther to control them. The data is displayed on the power monitoring website and control established helps put a rail on the consumption and pecker on day-to-day basis. It measures the real-time current values with the SCT-013-030 non-invasive, split cadre current transformer. The Wi-Fi module ESP8266 sends the existent time data wirelessly. The information is viewed on the Nokia 5110 display module to show the power consumed. This device measures the overall household consumption or a detail room'south usage but can besides exist used to understand specific appliance power usage. Reference [eighteen] shows an energy meter for the domestic usage. The free energy meter is designed with the non-invasive current sensing unit, which can measure ability at any given point. To ship the data, ENC28J60 Ethernet module was used to send the information to exist viewed over whatsoever smartphone. The [19] represents the similar module which incorporates a GSM/GPRS module to transmit the voltage and current detected values periodically, with the aid of a GPRS/GSM network where the but disadvantage is the network reliability between lengthy distances, affecting the reliability and speed of the organization. The energy logger described in [20] uses the non-invasive CT sensor, with a PZEM-004T with the electric energy measurement chip SD3004 with the ESP8266 (Wi-Fi module) to send the data to the server. The ESP8266 communicates via RS-232 with the PZEM-004T. The ESP sends the data wirelessly to the server every 20 s and uploads the information in the JSON format to raspberry Pi 3 where it hosts the database and local server. Here, Grafana is used to create a dashboard and the values are displayed in a graphical format, and equally a function of time [20].

Groundwork

A generic configuration and architecture of any power monitoring system that uses the IoT platform includes a four-layered architecture i.east., sensing layer, Networking layer, Service layer and Interface layer [21]. The starting time and foremost chore is to acquire data via sensors. These are connected to the processor or are wireless in nature and are placed in unlike scenarios to acquire the raw data of the environs. Secondly, the processor and then acquires this data and converts into sensible data. The last stage is making the information available to the user (which is as well the finish phase for an IoT network) via net. Hither most of the systems use servers to upload the data after processing to exist accessible by users. The system proposed in this paper uses raspberry pi, which acts as our local server to upload the data after processing. Hence, the data is then bachelor online to the authenticated users. Effigy 2 shows a elementary cake diagram of a monitoring system that has four sections namely information procurement, processing, transferring, and presenting [4].

Fig. 2
figure 2

Simple monitoring organization

Full size image

Data Procurement (Sensors)

Sensors play a vital function in any IoT organisation. The sensor layer ensures the acquisition of data and work with wireless systems to get the seamless real-fourth dimension data from the environs variables. A wireless network can take several sensor nodes that leads to the seamless flow of data and this contributes to the significance of Big Information. Hence, they provide the data from the concrete world with the objective to get the accurate information via the intelligent interface [22, 23]. This big amount of information is transferred to cloud servers, via internet to make it easily accessible by the authenticated end-users and have the capability to handle the large amounts of information menses.

Data Processing

Later the data is acquired with the help of sensors, it is passed to a platform to manage the acquired data, which is mostly washed by a micro-controller like Atmega328P (Arduino), Raspberry Pi etc. The Arduino is i of the virtually common micro-controllers used to acquire and procedure information with the flash retentiveness varying from 32 to 512 kB (depending on the model type) and ii kB RAM [24] and is programmed to follow the instructions to get the raw data and convert into sensible information.

The other microcontroller is Raspberry Pi, which is also known as a mini estimator, could be used equally the gateway or the Fundamental Processing Unit (CPU), and processes the data much faster than the Arduino and has the ability to handle complicated tasks than the traditional micro-controller [25].

The Raspberry Pi has the USB, Ethernet and Wi-Fi abilities that implies three unlike ways to transfer/upload data on the servers which makes the procedure much user-friendly and gives the user a choice past taking different factors into consideration i.due east. data processing fourth dimension, data transfer rate, communication protocol etc. The Raspberry Pi also has a slot for memory card, which might exist used to host a database to shop the item node's data. Different nodes tin can store their ain data but all the information can be combined from all the nodes onto the cloud server. Therefore, 2 or more nodes can post onto one cloud and compare the data with each other.

Data Transfer

The next of import footstep is to transmit the data betwixt nodes and controllers using i of the diverse communication protocols, either wired or wireless. These might exist via Wi-Fi, Bluetooth, LoRa, ZigBee, Ethernet etc. The choosing of technology depends on the application i.eastward. if it is a depression range advice or a long range one and various other factors such as data rate, accuracy etc. The other thing to take in account is the compatibility of 2 devices and implement the data transference.

The monitoring organization uses the serial connectedness for the transmission of data from the micro-controller to the gateway since it is a wired connection; it is the fastest ways of transferring data from sensors to Atmega328P to Raspberry Pi, which then uses Wi-Fi protocol to send the information to cloud. Wi-Fi is used, as the wireless connection is needed for the monitoring of data, equally providing internet connection via Ethernet cable does non seem like a viable solution in this example.

Presenting the Data

All the IoT systems consists of different gadgets, also known as 'things', which communicates through different communication protocols. Due to this diversity, there might be bug while combining ii or more technologies for data transfer and communication between devices, which makes information technology harder to accept an consequence with two devices obliging each other [21].

There are different ways of presenting the data, either via the spider web awarding (mobile) or on the website. The other prospect is to consider the selection of hosting the webserver on the gateway (Raspberry Pi) attainable locally via the Ethernet connection (via web-browser; accessible via local IP accost). The Pi has the power to run software packages that hosts the spider web app for the information visualization, in a graphical format.

Proposed Monitoring System

The proposed monitoring prototype is designed to measure the electricity consumption with the individual loads to understand the consumption of each machine (at homes) and the heavy usage machines at the industries. This real-time monitoring framework volition endow amend awareness into the free energy and power consumption data of the industries, which in-plow will enable the green initiative for the industries and help salve coin with the consumption statistics. Hither we take designed the three prototypes with different abilities to measure power consumption. The prototypes include the abilities to measure 1-phase Ac and 24 V DC logging units. The proposed energy logger comprises of sensing, processing, and information visualization units with the slight understanding of data manual and communication relations. Figure 2 already provides the basic overview of the components of the system.

Sensors

CT Sensor (AC)

There are several CT sensors similar RI-CT050 sensor [26], KCT-24 sensor [27], SEN-11005 sensor [28] and YHDC SCT-013 [29] that could exist used for AC measurements. All the same, since the proposed solutions presented in this paper requires the device to attach at a detail appliance for the AC measurements, the CT sensor was chosen such that information technology would handle the current for a single appliance. YHDC SCT-013 current transformer (CT) is used equally an AC current sensor to measure electric current from electrical wire and give output in mA. The required voltage to operate Atmega328P chip is maximum 3.3 V DC. So, 22 Ω brunt resistor is used to catechumen induced electric current of CT into voltage. A schematic diagram of the connections of CT sensor with Atmega328P is shown in Fig. 3. Resistors R19 and R17 in the circuit diagram are a voltage divider that provides the Voltage source. Capacitor C1 has a low reactance of a few hundred ohms that provides a path for the alternating current to featherbed the resistor. A value of x-μF capacitor is suitable.

Fig. 3
figure 3

CT sensor schematic and connections with Atmega328P

Full size epitome

The CT sensor gives analogue output and is directly connected to the Atmega328P (Arduino) of the monitoring unit for 1-phase.

CT Sensor (DC)

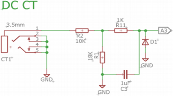
For the DC logger, the CT sensor used is Magnelab's HCT-0016-100 and can measure the electric current upwards to 100 A. The HCT-0016-100 has a cocky-locking mechanism [30]. The aforementioned company also provides other CT sensors (DC) with different current ratings, even so, for this research the CT sensor with rating of 100 A was selected, every bit this sensor needs to be attached to but unmarried appliance. The DC sensor gives the output of 0–iv V at the rated input electric current. Therefore, a voltage divider is used to scale down 4 5 and 24 Five (in instance of voltage measurements) to beneath three.3 V to encounter the requirement of the ADC input. Figure 4 shows the schematic connexion of CT sensor for 24 V DC logger.

Fig. 4
figure 4

24 5 DC schematic connection

Total size paradigm

DC Current Measurements

An off-the-shelf divide-core DC electric current sensor was used, which can sense input electric current of 0–100 A DC and transform it to 0–iv V DC voltage output, with stated full–scale accuracy of ± i% at frequencies of 50/lx Hz [6]. The CT includes a closed-loop ferrite core, a hall sensor, a differential amplifier, and a Zener diode. Figure five illustrates the schematic diagram of the sensor and Fig. half dozen shows the linear human relationship between the input current and the output dc voltage. The sensor requires a ± 15 V dc ability source in order to operate properly. Furthermore, a similar circuit, is used to couple the CT to the microprocessor analog input. However, the voltage divider resistors value has changed to Rane (ten K Ω) and R2 (18 K Ω) to regulate a 4 Five to below 3.3 V.

Fig. 5
figure 5

Schematic overview of the DC current sensor

Full size epitome

Fig. 6
figure 6

DC V-I characteristic of the current sensor

Full size image

DC Voltage Measurements

Voltage measurements in the range of 0–24 V were made with the circuit shown in Fig. 7. A voltage divider comprised of R1 (120 Grand Ω) and R2 (15 G Ω) is used to plow a large voltage into low voltage, every bit the microprocessor analog inputs can just measure between 0 and iii.3 V. The Riii (ane K Ω) comes in series with Rane to limit the current flow. A filter capacitor is placed parallel to the pulsating output to permit the passing of low-frequency components and attenuates higher frequency components.

Fig. 7
figure 7

Components configuration for DC voltage measurements

Full size image

The excursion configuration also contains a bi-directional Zener diode to protect inputs from the high voltage.

Gateway

The Raspberry Pi 3B + model is used as a gateway and is intentionally selected because of its size, toll, choice from more than 1 communication protocols (Bluetooth, Ethernet, Wi-Fi etc.) abilities to practise part every bit a minicomputer and widely used with real-time applications. With the SD carte slot, the memory can exist expanded equally per our needs and CPU working at one.iv GHz provides increased speed than previous models.

Due to its compatibility with the Arduino (ensuring the proper information flow), capability of running the server software packages, hosting the database on the SD bill of fare and visualize the data at the local network [25], makes it as the perfect gateway for the system.

Single-Stage Monitoring System

The energy-monitoring device is a system that can be used to mensurate and monitor real-time AC voltage, current, real and apparent power. The monitoring devices comprise of Current Transformer (CT), Voltage Transformer and emonPi module. All of its hardware is based on the Arduino and Raspberry Pi platforms and need a ability of 5 V DC. These monitoring units are connected to the laptop via Ethernet to access the local server, which is accessible via the IP address of the Raspberry Pi and sends the data to EmonCMS deject via Wi-Fi through Pi. The Unmarried-Stage circuit consists of iii CT sensors, and so information technology measures three loads at a time. Figure 8 shows the block diagram of single-phase measurement whereas Fig. 9 shows the single-stage energy logger prototype.

Fig. 8
figure 8

Single-stage block-diagram

Total size prototype

Fig. ix
figure 9

Single-phase prototype energy logger

Full size image

24 V DC Monitoring system

A 15.5 5 DC ability supply gives a maximum output electric current of x A, where the input voltage that is given to the circuit is between 2.viii and xv.5 V to ability up the electrical load. A CT sensor to find DC current (HCT-0016-100; Sect. 4.ane.ii) is clamped between fifteen.5 V DC power supply and electrical load to sense DC element from the current carrying wire. Effigy 10 below shows the block diagram for DC measurement whereas Fig. 11 shows the DC free energy logger paradigm.

Fig. 10
figure 10

Block diagram for DC measurement

Full size image

Fig. xi
figure 11

Prototype of the 24 V DC free energy logger

Full size paradigm

Measurement Setup and Results

Safe Examination Setup

The CT sensor clips around a single electric wire, either live or neutral, Non both, so it is important to dissever the primary electrical wire in 3 i.e., alive, neutral and earth. Leaving open up high voltage electric wires tin be very unsafe on some occasions. Hence, the safety box is designed in guild to go along the separate electrical wires outreach of human being connect as shown in Figs. 12 and 13.

Fig. 12
figure 12

Block diagram of an electrical safety box with a CT sensor

Full size image

Fig. 13
figure 13

Components within the box

Full size image

2 types of boxes were designed; 1 for installing current and the other for voltage transformer. In i of the boxes but CT sensor is installed and in other design, both CT and voltage transformer is installed. The plug and socket are connected to the power distribution board and an electric load.

Calibration Procedure

It is significantly important to calibrate the system before it is used for measurements, to minimize any uncertainty in measurements and use it accurately. Steps used for calibration are listed as:

  1. i.

    The primary footstep is to write a sketch (or program) to mensurate the current, voltage and power gene of an equipment.

  2. two.

    The second step is to measure out the voltage of the mains and adjust the voltage abiding to a particular value or average out the first 100 values to get the voltage calibration constant. This will ensure that the readings obtained from the device is consequent with the meter readings. The new calibration coefficient can exist calculated every bit:

    $$New\,Calibration\,coefficient=Present\,Calibration\,coefficient\,\times\,\frac{Actual\,Reading}{Device\,Reading}$$

  3. 3.

    Calibrate the current by connecting the meter serially with the CT sensors and workout the scale and then that the electric current reading on the serial monitor is the aforementioned every bit the measured current.

  4. 4.

    If the voltage input is being used with the load, the stage angle must exist adjusted and so that the real power

  5. 5.

    After calibrating the phase, it is necessary to cheque if the voltage calibration is affected and should be stock-still if affected. The stage scale should then exist checked again one time the voltage calibration is rechecked.

Results

In social club to validate the operation of the proposed energy logger, power measurements were carried out for 24 V DC load equally well equally single-phase load systems. PM3000 power analyzer is a calibrated measurement device that is used as the reference for these measurements in society to determine the relative fault of the proposed energy logger. The ability recorded for the singe-phase linear load by the energy logger and the PM3000 analyzer is shown in the Fig. 14. In this case, a 200 W incandescent lights were used. In order to take sufficient samples, the number of lights that were used were gradually increased from 1 to half-dozen. Figure 14 shows a linear curve for the consumed power, as expected. In guild to check the accurateness of the energy logger, the relative mistake curve for this measurement is shown in Fig. xv. The relative fault curve suggests that the relative error decreased from + three.78 to + 1.57% with increasing the number of loads.

Fig. 14
figure 14

Power recorded for the single-stage linear load

Full size prototype

Fig. 15
figure 15

Relative error of the single-phase linear load measurement by the proposed energy logger in comparison the PM3000

Full size image

A similar measurement was undertaken, where the single-phase linear load was replaced by 24 Five DC source in the grade of incandescent lights. The number of loads were once more increased from 1 to 6. A linear plot of the power consumed was observed as expected and is presented in Fig. 16. The relative error curve of the power measured by energy logger compared to the PM3000 analyzer is shown in Fig. 17.

Fig. 16
figure 16

Power recorded for 24 5 DC load

Full size image

Fig. 17
figure 17

Relative error of 24 V DC load measurement by the proposed energy logger in comparing the PM3000

Full size image

Data Logging

This section will show that the data coming through on the spider web-interface (local and remote) is decoded properly and the received data is correct.

Here we have the information from 24 5 DC device with the DC power supply that shows the value of current and voltage when applied across a load. This verifies the data coming through is correct and is validated through this.

Figure eighteen shows the screenshots of ability supply and the web-interface information to show that the when the supply voltage (on the power supply) was changed, this alter is reflected on the local and the web interface every bit shown in Figs. 19 and 20.

Fig. xviii
figure 18

Two cases of unlike DC supply

Full size image

Fig. 19
figure 19

Web interface corresponding to the starting time case of DC supply

Full size prototype

Fig. 20
figure 20

Web interface to bear witness the modify corresponding to the second example of the DC supply

Total size image

Proposed System Comparison with the Existing Solutions in the Market

A comparison of the proposed system with the existing solutions in the market is shown in Tabular array 1 on the basis of toll, features which are comparable to our device and installation feasibility.

Table 1 Comparison of the proposed energy logger with the other existing systems available in the market

Full size tabular array

Conclusion

A low-cost and accurate free energy logger have been proposed in this newspaper to measure out the power consumed by the industrial and home appliances. The overall system approximately costs around ninety GBP, which is relatively less expensive compared to existing solutions in the market having similar features. Additionally, the measurements for unmarried-phase and 24 Five DC loads using the proposed energy logger is presented in comparison to the information obtained using PM3000 commercially available free energy logger. The proposed energy logger presents a relatively low error every bit compared with the PM3000 energy logger. The information measured by the free energy logger can be viewed remotely using the EmonCMS web application and can exist viewed on any android or iOS devices.

References

  1. Dovì, V. (2014). Free energy efficiency: Towards the stop of demand growth. Edited by Fereidoon P. Sioshansi. Energy Engineering, two(6), 579–580.

    Article  Google Scholar

  2. Porcarelli, D., Balsamo, D., Brunelli, D., & Paci, G. (2013). Perpetual and low-cost power meter for monitoring residential and industrial appliances. In 2013 pattern, automation & exam in Europe conference & exhibition (DATE), Grenoble, French republic, 2013 (pp. 1155–1160).

  3. Bandyopadhyay, D., & Sen, J. (2011). Internet of Things: Applications and challenges in technology and standardization. Wireless Personal Communications, 58(ane), 49–69.

    Commodity  Google Scholar

  4. Al-Kuwari, Yard., Ramadan, A., Ismael, Y., Al-Sughair, L., Gastli, A., & Benammar, Yard. (2018). Smart-home automation using IoT-based sensing and monitoring platform. In 2018 IEEE twelfth international conference on compatibility, power electronics and power engineering (CPE-POWERENG 2018), Doha (pp. 1–6).

  5. Ryu, Northward., Jung, J.-H., & Jeong, Y. (2012). High-efficiency CMOS power amplifier using uneven bias for wireless LAN application. ETRI Journal, 34(6), 885–891.

    Article  Google Scholar

  6. Arm, C., Gyger, South., Masgonty, J., Morgan, M., Nagel, J., Piguet, C., Rampogna, F., & Volet, P. (2009). Depression-power 32-scrap dual_MAC 120 uW/MHz one.0V icyflex1 DSP/MCU cadre. IEEE Journal of Solid-Country Circuits, 44(7), 2055–2064.

    Article  Google Scholar

  7. Nam, H., & Jeong, H. (2012). Information supply voltage reduction scheme for low-power AMOLED displays. ETRI Journal, 34(5), 727–733.

    Commodity  Google Scholar

  8. Park, H., & Lee, H. H. (2013). Smart WLAN discovery for ability saving of dual-way terminals. ETRI Journal, 35(6), 1144–1147.

    Article  Google Scholar

  9. Seok, H., & Yoon, J. (2011). Hybrid distribution stochastic addressing scheme for ZigBee/IEEE 802.15.4 wireless sensor networks. ETRI Journal, 33(5), 704–711.

    Commodity  Google Scholar

  10. Olmos, L., Ruester, Southward., Liong, S., & Glachant, J. (2011). Free energy efficiency deportment related to the rollout of smart meters for small consumers, application to the Austrian system. Energy, 36, 4396–4409.

    Commodity  Google Scholar

  11. Pereira, R., Figueiredo, J., Melicio, R., Mendes, 5. M. F., Martins, J., & Quadrado, J. C. (2015). Consumer energy direction system with integration of smart meters. Energy Reports, 1, 22–29.

    Article  Google Scholar

  12. Beckel, C., Sadamori, L., Staake, T., & Santin, Southward. (2014). Revealing household characteristics from smart meter data. Free energy, 78, 397–410.

    Article  Google Scholar

  13. Depuru, S. Southward. S. R., Wang, Fifty., & Devabhaktuni, 5. (2011). Smart meters for power filigree challenges bug advantages and status. Renewable Sustain Energy Reviews, xv(6), 2736–2742.

    Article  Google Scholar

  14. Vega, A. M., Santamaria, F., & Rivas, E. (2015). Modeling for home electric energy management: a review. Renewable Sustain Energy Reviews, 52, 948–959.

    Commodity  Google Scholar

  15. Elamvazuthi, I., Ahamed Khan, M. One thousand. A., Bin Shaari, S. B., Sinnadurai, R., & Amudha, M. (2012). Electrical ability consumption monitoring using a existent-time organisation. In 2012 IEEE conference on sustainable utilization and development in engineering and technology (STUDENT), Kuala Lumpur (pp. 295–298).

  16. Wasoontarajaroen, Southward., Pawasan, K., & Chamnanphrai, Five. (2017). Evolution of an IoT device for monitoring electric energy consumption. In 2017 9th international conference on information technology and electrical engineering (ICITEE), Phuket (pp. 1–4).

  17. Thakare, Southward., Shriyan, A., Thale, V., Yasarp, P., & Unni, K. (2016). Implementation of an free energy monitoring and command device based on IoT. In 2016 IEEE Annual Republic of india Briefing (INDICON), Bangalore (pp. 1–6).

  18. Shajahan, A. H. & Anand, A. (2013). Data acquisition and control using Arduino-Android platform: Smart plug. In 2013 international briefing on energy efficient technologies for sustainability, Nagercoil (pp. 241–244).

  19. Tan, H. M. R., Lee, C. H., & Mok, V. H. (2007). Automated power meter reading system using GSM network. In 2007 international power engineering briefing (IPEC 2007), Singapore (pp. 465–469).

  20. Chooruang, Yard., & Meekul, M. (2018). Design of an IoT free energy monitoring system. In 2018 16th international conference on ICT and knowledge technology (ICT&KE), Bangkok (pp. 1–4).

  21. Xu, L. D., He, W., & Li, S. (2014). Cyberspace of Things in industries: A survey. IEEE Transactions on Industrial Computer science, 10(4), 2233–2243.

    Article  Google Scholar

  22. The Internet of Things: A survey Luigi Atzor, Antonio Iera, Giacomo Morabito.

  23. Wang, F., Hu, L., Zhou, J., & Zhao, K. (2015). A data processing middleware based on SOA for the internet of things. Periodical of Sensors, 2015, 1–viii.

    Google Scholar

  24. "Arduino Uno Rev3", Store.arduino.cc, 2019. [Online]. https://store.arduino.cc/arduino-uno-rev3.

  25. Raspberrypi.org, 2019. [Online]. https://www.raspberrypi.org/products/Raspberry-pi-three-model-b/.

  26. Rayleigh Instruments: RI-CT050 series. (2020). [Ebook]. Retrieved from https://www.rayleigh.com/media/uploads/RI_Data_Sheet_RI-CT050_W_12_02_19.pdf.

  27. "KCT Series carve up core electric current transformer: Current transformer manufacturer,-HEYI", Heyiele.com, 2020. [Online]. http://www.heyiele.com/Catalogue/KCT_Split_core_current_transformer-113.html. Accessed 04 Oct 2020.

  28. North. 30A, "Not-Invasive Current Sensor—30A—SEN-11005 - SparkFun Electronics", Sparkfun.com, 2020. [Online]. https://www.sparkfun.com/products/11005. Accessed 04 Oct 2020.

  29. Learn | OpenEnergyMonitor", Learn.openenergymonitor.org, 2020. [Online]. https://learn.openenergymonitor.org/electricity-monitoring/ct-sensors/yhdc-sct-013-000-ct-sensor-report. Accessed: 04 Oct 2020.

  30. Magnelab.com, 2020. [Online]. https://world wide web.magnelab.com/wp-content/uploads/2016/02/HCT-0016-100-Spec-Sheet.pdf. Accessed: 04 October 2020.

  31. Efergy, "Engage Hub Kit | Efergy Online Energy Monitoring Web & App," Efergy. https://efergy.com/engage/. Accessed 01 Feb 2021.

  32. Sense, "Sense: Rails energy use in real time to make your home more free energy efficient.," Sense.com. https://sense.com/product. Accessed 01 Feb 2021.

  33. Eyedro, "Habitation Electricity Monitors," Eyedro. https://eyedro.com/home-electricity-monitors/. Accessed 01 Feb 2021.

  34. Smappee, "Smappee Infinity Starter Kit Energy Management and Monitoring - Single phase," www.romatech.co.uk. https://world wide web.romatech.co.u.k./smappee-infinity-starter-kit.html. Accessed 01 Feb 2021.

Download references

Acknowledgements

This work was undertaken under the INCASE project, which is part funded by European Commission equally a part of the 2Seas Interreg Five Program. Nosotros would likewise like to give thanks Academy of Kent tech team, Mr. Ed Catley and Mr. Irfan Ullah for providing the support to design and fabricate the PCB.

Funding

This work was undertaken under the INCASE project, which is part funded by European Committee as a office of the 2Seas Interreg 5 Plan.

Author data

Affiliations

Corresponding author

Correspondence to Pooja R. Khanna.

Ethics declarations

Conflict of interest

The authors declare that they have no conflict of interest.

Boosted information

Publisher's Notation

Springer Nature remains neutral with regard to jurisdictional claims in published maps and institutional affiliations.

Rights and permissions

Open Access This article is licensed under a Creative Commons Attribution four.0 International License, which permits apply, sharing, accommodation, distribution and reproduction in any medium or format, every bit long as you give appropriate credit to the original author(s) and the source, provide a link to the Creative Commons licence, and point if changes were made. The images or other 3rd party material in this commodity are included in the article's Creative Commons licence, unless indicated otherwise in a credit line to the material. If cloth is not included in the article's Creative Commons licence and your intended use is not permitted by statutory regulation or exceeds the permitted employ, you will need to obtain permission straight from the copyright holder. To view a copy of this licence, visit http://creativecommons.org/licenses/by/iv.0/.

Reprints and Permissions

About this article

Verify currency and authenticity via CrossMark

Cite this article

Khanna, P.R., Howells, G. & Lazaridis, P.I. Blueprint and Implementation of Low-Cost Existent-Time Energy Logger for Industrial and Home Applications. Wireless Pers Commun 119, 2657–2674 (2021). https://doi.org/10.1007/s11277-021-08350-1

Download commendation

  • Accepted:

  • Published:

  • Outcome Date:

  • DOI : https://doi.org/10.1007/s11277-021-08350-1

Keywords

  • EmonCMS
  • Internet of things
  • Ability monitoring
  • Smart meter
  • Web-App

mcgregorablem1974.blogspot.com

Source: https://link.springer.com/article/10.1007/s11277-021-08350-1

0 Response to "Measure Power Consumption and Upload Data to Wesite"

Postar um comentário

Iklan Atas Artikel

Iklan Tengah Artikel 1

Iklan Tengah Artikel 2

Iklan Bawah Artikel